Личный кабинет

Ответвитель-крышка Т-образный переходник DDT 200/100 (H50) в комплекте крепежные элементы соединительные пластины

Артикул: 36566KZL
Бренд: DKC (ДКС)
6420.69 руб.
Под заказ
Срок поставки: 1 дн.
Срок изготовления: 185 дн.
Цена может быть не актуальной

Основные характеристики

Артикул:36566KZL
Бренд:DKC (ДКС)
Единица измерения:упак
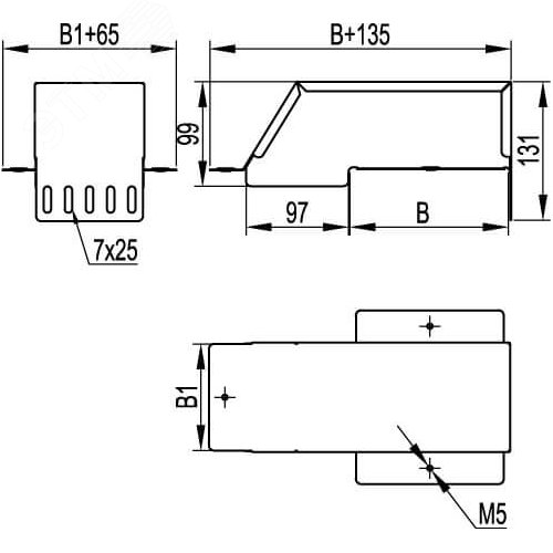
Тип изделия: Крышка-ответвитель
Материал изделия: Сталь
Высота, мм: 131
Ширина, мм: 165
Покрытие: Цинк-ламель
Толщина материала изделия: 0.8
Тип изделия: Крышка-ответвитель
Материал изделия: Сталь
Высота, мм: 131
Ширина, мм: 165
Покрытие: Цинк-ламель
Толщина материала изделия: 0.8
Климатическое исполнение: ОМ1, Т1, У1, УХЛ1, УХЛ5, ХЛ1
Цвет: Светло-серый
Рекомендованный проектный ассортимент: Да
Преимущества: Поставляются в комплекте с крепежными элементами. Комплект крепежа, сопровождающий аксессуар, делает монтаж простым и быстрым за счет отсутствия необходимости подбора правильного крепежа на объекте|Применение комплектных аксессуаров позволяет свести к нулю ошибки расчета и подбора крепежа в процессе проектирования|Исключает риск развития электрохимической коррозии, возникающей при ошибочном подборе крепежа из несовместимых материалов|Исполнение соответствует 8 классу коррозионной стойкости, благодаря чему изделие может применяться, например, в помещениях с высокой влажностью и низкой загрязненностью, в воздушных зонах городов и промышленных предприятий.
Дополнительная информация: соответствует 8 классу коррозионной стойкости
Комплектация: 37501R - никелированная пластина для заземления PTCE - 3 шт.|CM010610HDZ - винт с крестообразным шлицем М6х10, горячеоцинкованный - 2 шт.|СМ100600HDZ - гайка с насечкой, препятствующей откручиванию М6, горячеоцинкованная - 2 шт.|CM030508HDZ - винт для электрического соединения М5х8, горячеоцинкованный - 6 шт.
Сфера применения: помещения (или пространства) с умеренной частотой конденсации и умеренными загрязнениями от производственного процесса, с умеренным или средним загрязнением SO2 (подземные парковки, производственные помещения, городская среда)|пространства с высокой частотой конденсации и высоким уровнем загрязнения от производственного процесса (перерабатывающие предприятия (заводы), бассейны, прибрежные верфи и судоремонтные заводы)

Сертификаты

ПИСЬМО 697-260121
Откроется в новом окне

Чтобы выбрать понравившийся товар, просто добавьте его в корзину.

Когда все будет готово, перейдите в Корзину. В корзине проверьте список номенклатуры Вашего заказа, после пожалуйста, укажите Ваш телефон и e-mail, и нажмите «Отправить заказ» — в случае возникновения уточняющих вопросов, наш менеджер свяжется с вами, чтобы уточнить все детали.

После вы получите подтверждение вашего заказа на указанную вами электронную почту. И всё, что вам останется — это с нетерпением ждать счета на оплату, а после оплаты, доставки купленного товара и радоваться своей новой покупке!

Мы рекомендуем добавить в комментарии к заказу информацию, которая поможет службе доставки быстрее Вас найти.

Нажмите кнопку «Отправить заказ», и мы позаботимся о том, чтобы ваша покупка была доставлена как можно быстрее. Спасибо, что выбираете нас!

Способы оплаты

Мы стремимся сделать процесс оплаты максимально удобным и безопасным для вас. На нашем сайте доступны несколько способов оплаты, чтобы вы могли выбрать наиболее подходящий вариант:

  1. Дебетовые карты: Мы принимаем карты Visa, MasterCard и МИР, Unionpay. Оплата происходит через защищенное соединение, что гарантирует безопасность ваших данных.
  2. Электронные системы платежей: Вы можете оплатить заказ через популярные электронные кошельки, такие как СБП, СБЕР-pay, T-pay, Я-Пэй. Просто выберите нужный способ на этапе оформления заказа.
  3. Банковский перевод между юридическими лицами: Если вы предпочитаете оплачивать заказ через расчетный счет организации, после оформления и согласования заказа с менеджером, мы вышлем вам счет-договор на оплату.

Безопасность платежей

Мы заботимся о безопасности ваших транзакций. Все данные передаются по защищенному протоколу SSL, что обеспечивает защиту от несанкционированного доступа.

Если у вас возникли вопросы по поводу оплаты или вам нужна помощь, пожалуйста, свяжитесь с нашей службой поддержки. Мы всегда готовы помочь!

Для получения дополнительной информации обращайтесь в нашу службу поддержки

Условия доставки

Доставка по г. Москве и Московской области

Компания ЭЛЕКТРОКОМ осуществляет бесплатную доставку по г. Москве и Московской области собственным транспортом при заказе от 15 000 рублей. Доставка товара на меньшую сумму возможна, но оговаривается с менеджером.

Порядок получения товара при доставке транспортом ЭЛЕКТРОКОМ:

  • При получении необходимо проверить соответствие количества фактически полученного товара и количества товара по товарной накладной/УПД
  • После фактического получения товара ответственное лицо грузополучателя должно расписаться в товарной накладной/УПД
  • Получающий товар сотрудник должен поставить свою подпись, расшифровку подписи и печать/доверенность организации грузополучателя
  • В случае отсутствия доверенности или печати передача товара производиться не будет

Доставка по России

Доставка по России осуществляется посредством транспортных компаний. Компания ООО ЭЛЕКТРОКОМ доставит Ваш товар до терминала транспортной компании по г. Москва. Стоимость доставки и сроки Вы сможете узнать, посетив сайты компаний перевозчиков.

Консультация по доставке:

+7 (499) 403-13-13 info@electrocom.su

Важно: При отправке груза через транспортную компанию, Вам необходимо прислать в наш адрес доверительное письмо на отправку груза.

Самовывоз со склада

  • При получении необходимо проверить соответствие количества фактически полученного товара и количества товара по товарной накладной/УПД
  • После фактического получения товара ответственное лицо грузополучателя должно расписаться в товарной накладной/УПД
  • Получающий товар сотрудник должен поставить свою подпись, расшифровку подписи и печать/доверенность организации грузополучателя
  • В случае отсутствия доверенности или печати передача товара производиться не будет

Похожие товары