Личный кабинет

Лоток неперфорированный 150х100 L=3000мм толщина 1.0мм горячеоцинкованный

Артикул: 3510210HDZ
Бренд: DKC (ДКС)
2391.97 руб.
В наличии 1 м
Срок поставки: 2 дн.
Срок изготовления: 89 дн.
Цена может быть не актуальной

Основные характеристики

Артикул:3510210HDZ
Бренд:DKC (ДКС)
Единица измерения:м
Тип изделия: Лоток неперфорированный
Материал изделия: Сталь
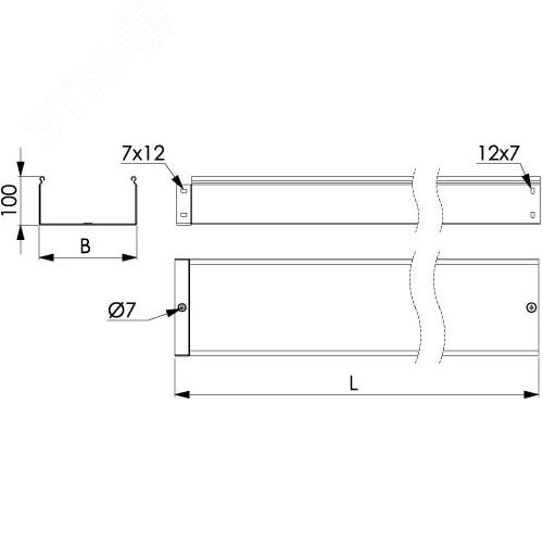
Высота, мм: 100
Ширина, мм: 150
Длина, мм: 3000
Покрытие: Горячий цинк

Лоток неперфорированный 150×100 L=3000 мм толщина 1.0 мм горячеоцинкованный (3510210HDZ)

Неперфорированный лоток 150×100 мм представляет собой профессиональный элемент кабельной системы для стационарной прокладки электрических проводов и кабелей. Изделие длиной 3000 мм изготовлено из высококачественной стали толщиной 1.0 мм с надежным горячим цинкованием, что обеспечивает исключительную механическую прочность и долговечность эксплуатации.

Конструктивные особенности и преимущества

Лоток имеет цельногнутый П-образный профиль без перфорации, что обеспечивает максимальную жесткость конструкции и защиту кабелей от внешних воздействий. Боковые стенки высотой 100 мм и ширина дна 150 мм оптимальны для организации многорядной прокладки кабельных линий. Горячее цинкование по всей поверхности создает равномерное антикоррозионное покрытие с адгезией не менее 610 г/м², что соответствует требованиям ГОСТ 14918-80.

Технические характеристики

• Габаритные размеры: 150×100×3000 мм
• Толщина металла: 1.0 мм
• Материал: сталь холодного проката
• Покрытие: горячее цинкование
• Вес: приблизительно 11.7 кг/п.м.
• Радиус закругления: 1.5× высоты лотка
• Допустимая нагрузка: до 300 кг/м при равномерном распределении

Область применения

Лоток предназначен для создания кабельных трасс внутри и снаружи зданий, в тоннелях, технических этажах и производственных помещениях. Герметичная конструкция обеспечивает защиту от пыли, влаги и механических повреждений. Изделие соответствует требованиям ПУЭ 7-го издания и СП 76.13330.2016 для электротехнических установок.

Монтаж и совместимость

Лоток совместим с аксессуарами кабельных систем: соединителями, углами, тройниками и крепежными элементами. Монтаж осуществляется на опорные конструкции с шагом не более 3 метров. Для соединения секций используются штатные крепления, обеспечивающие электрическую непрерывность пути согласно ГОСТ Р МЭК 61537-2010.

Качество и сертификация

Продукция соответствует требованиям ТР ТС 004/2011 и ТР ТС 020/2011. Горячее цинкование обеспечивает срок службы до 25 лет в агрессивных средах класса С1-С3 по ISO 12944-2. Лоток сохраняет стабильность геометрии при температурах от -60°C до +200°C.

Дополнительные преимущества

Гладкая поверхность без острых кромок предотвращает повреждение изоляции кабелей. Увеличенная длина 3000 мм сокращает количество стыков и ускоряет монтаж. Лоток может использоваться как самостоятельный элемент или в составе многоярусных систем. Допускается применение в зонах с сейсмичностью до 9 баллов при соответствующем расчете креплений.

Тип изделия: Лоток неперфорированный
Материал изделия: Сталь
Высота, мм: 100
Ширина, мм: 150
Длина, мм: 3000
Покрытие: Горячий цинк
Толщина материала изделия: 1
Климатическое исполнение: ОМ1, Т1, У1, УХЛ1, УХЛ5, ХЛ1
Тип лотка: Неперфорированный
Масса, кг: 3.49
Цвет: Светло-серый
Исполнение: Без разъема
Дополнительная информация: толщина цинкового слоя не менее 55 мкм| 6 класс коррозионной стойкости
Площадь полезного сечения: 14800
Преимущества: Для соединения секций между собой требуется всего 5 винтов и 5 гаек, благодаря фирменному соединению папа-мама, что сокращает время монтажа|S-образная форма кромки борта лотка обеспечивает повышенную несущую способность и защиту кабеля от повреждения|Высокая несущая способность, а также коэффициент запаса по нагрузке, равный 1.7|Долговечность|Выполнено в исполнении горячий цинк с толщиной цинкового слоя от 55 мкм до 120 мкм, благодаря чему может применяться, например, в помещениях с высокой влажностью и низкой загрязненностью, в воздушных зонах городов и промышленных предприятий
Сфера применения: помещения (или пространства) с умеренной частотой конденсации и умеренными загрязнениями от производственного процесса, с умеренным илисредним загрязнением SO2 (подземные парковки, производственные помещения, городская среда)
Комплектация: лоток листовой неперфорированный

Сертификаты

СБ.ОС.011.001.301
Откроется в новом окне
ССБК.RU.ПБ33.Н00287
Откроется в новом окне
НСОПБ.RU.ЭО.ПР.154.Н.00244
Откроется в новом окне
НСОПБ.RU.ЭО.ПР.154.Н.00246
Откроется в новом окне
ССБК.RU.ПБ33.Н00237
Откроется в новом окне
ССБК.RU.ПБ33.Н00364
Откроется в новом окне

Чтобы выбрать понравившийся товар, просто добавьте его в корзину.

Когда все будет готово, перейдите в Корзину. В корзине проверьте список номенклатуры Вашего заказа, после пожалуйста, укажите Ваш телефон и e-mail, и нажмите «Отправить заказ» — в случае возникновения уточняющих вопросов, наш менеджер свяжется с вами, чтобы уточнить все детали.

После вы получите подтверждение вашего заказа на указанную вами электронную почту. И всё, что вам останется — это с нетерпением ждать счета на оплату, а после оплаты, доставки купленного товара и радоваться своей новой покупке!

Мы рекомендуем добавить в комментарии к заказу информацию, которая поможет службе доставки быстрее Вас найти.

Нажмите кнопку «Отправить заказ», и мы позаботимся о том, чтобы ваша покупка была доставлена как можно быстрее. Спасибо, что выбираете нас!

Способы оплаты

Мы стремимся сделать процесс оплаты максимально удобным и безопасным для вас. На нашем сайте доступны несколько способов оплаты, чтобы вы могли выбрать наиболее подходящий вариант:

  1. Дебетовые карты: Мы принимаем карты Visa, MasterCard и МИР, Unionpay. Оплата происходит через защищенное соединение, что гарантирует безопасность ваших данных.
  2. Электронные системы платежей: Вы можете оплатить заказ через популярные электронные кошельки, такие как СБП, СБЕР-pay, T-pay, Я-Пэй. Просто выберите нужный способ на этапе оформления заказа.
  3. Банковский перевод между юридическими лицами: Если вы предпочитаете оплачивать заказ через расчетный счет организации, после оформления и согласования заказа с менеджером, мы вышлем вам счет-договор на оплату.

Безопасность платежей

Мы заботимся о безопасности ваших транзакций. Все данные передаются по защищенному протоколу SSL, что обеспечивает защиту от несанкционированного доступа.

Если у вас возникли вопросы по поводу оплаты или вам нужна помощь, пожалуйста, свяжитесь с нашей службой поддержки. Мы всегда готовы помочь!

Для получения дополнительной информации обращайтесь в нашу службу поддержки

Условия доставки

Доставка по г. Москве и Московской области

Компания ЭЛЕКТРОКОМ осуществляет бесплатную доставку по г. Москве и Московской области собственным транспортом при заказе от 15 000 рублей. Доставка товара на меньшую сумму возможна, но оговаривается с менеджером.

Порядок получения товара при доставке транспортом ЭЛЕКТРОКОМ:

  • При получении необходимо проверить соответствие количества фактически полученного товара и количества товара по товарной накладной/УПД
  • После фактического получения товара ответственное лицо грузополучателя должно расписаться в товарной накладной/УПД
  • Получающий товар сотрудник должен поставить свою подпись, расшифровку подписи и печать/доверенность организации грузополучателя
  • В случае отсутствия доверенности или печати передача товара производиться не будет

Доставка по России

Доставка по России осуществляется посредством транспортных компаний. Компания ООО ЭЛЕКТРОКОМ доставит Ваш товар до терминала транспортной компании по г. Москва. Стоимость доставки и сроки Вы сможете узнать, посетив сайты компаний перевозчиков.

Консультация по доставке:

+7 (499) 403-13-13 info@electrocom.su

Важно: При отправке груза через транспортную компанию, Вам необходимо прислать в наш адрес доверительное письмо на отправку груза.

Самовывоз со склада

  • При получении необходимо проверить соответствие количества фактически полученного товара и количества товара по товарной накладной/УПД
  • После фактического получения товара ответственное лицо грузополучателя должно расписаться в товарной накладной/УПД
  • Получающий товар сотрудник должен поставить свою подпись, расшифровку подписи и печать/доверенность организации грузополучателя
  • В случае отсутствия доверенности или печати передача товара производиться не будет

Похожие товары