Личный кабинет

Подвес вертикальный двойной 41х41х1800 мм горячеоцинкованный

Артикул: BSD4118HDZ
Бренд: DKC (ДКС)
5654.51 руб.
В наличии 1 шт
Срок поставки: 3 дн.
Срок изготовления: 90 дн.

Основные характеристики

Артикул:BSD4118HDZ
Бренд:DKC (ДКС)
Единица измерения:шт
Полное наименование:Подвес вертикальный двойной 41х41х1800мм горячеоцинкованный
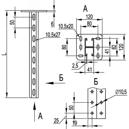
Длина, мм:1800
Высота, мм:120
Масса, кг:10.26
Материал изделия:Сталь
Покрытие:Горячий цинк

Подвес вертикальный двойной 41×41×1800 мм горячеоцинкованный (BSD4118HDZ)

Вертикальный двойной подвес BSD4118HDZ представляет собой профессиональный монтажный элемент для систем вентиляции и кондиционирования. Изделие изготовлено из высокопрочной стали и подвергнуто процессу горячего цинкования, что обеспечивает исключительную антикоррозионную стойкость в агрессивных средах.

Технические характеристики

  • Тип конструкции: двойной вертикальный подвес
  • Материал: сталь углеродистая
  • Покрытие: горячее цинкование
  • Размеры: 41×41×1800 мм
  • Толщина металла: 1,2 мм
  • Рабочая температура: от -40°C до +120°C
  • Номинальная нагрузка: до 150 кг

Конструктивные особенности

Конструкция подвеса состоит из двух параллельных профилей, соединенных перфорированными перемычками, что обеспечивает равномерное распределение механических нагрузок. Система отверстий позволяет регулировать высоту монтажа без необходимости демонтажа конструкции. Г-образная форма конца профиля упрощает установку на несущие поверхности.

Преимущества горячего цинкования

Технология горячего цинкования создает на поверхности стали защитный слой цинка толщиной 40-60 мкм, который обеспечивает:

  • Защиту от коррозии в течение 25-30 лет в городской среде
  • Устойчивость к атмосферным осадкам
  • Стойкость к ультрафиолетовому излучению
  • Механическую защиту от повреждений

Область применения

Подвес предназначен для крепления воздуховодов, элементов систем вентиляции, кондиционирования и дымоудаления в промышленных, коммерческих и жилых зданиях. Может использоваться для монтажа трубопроводов, кабельных лотков и технологического оборудования.

Монтажные особенности

Подвес устанавливается на бетонные, кирпичные и металлические поверхности с помощью дюбелей или анкерных болтов. Перфорация позволяет точно позиционировать крепежные элементы по всей длине профиля. Рекомендуемый шаг установки подвесов - не более 3 метров.

Нормативная документация

Производство и применение подвесов регламентируется следующими документами:

Расчет нагрузок и проектирование

При проектировании систем крепления необходимо учитывать:

  • Вес монтируемого оборудования
  • Динамические нагрузки от вибрации
  • Температурные расширения
  • Сейсмические воздействия (для сейсмоопасных районов)
  • Ветровые нагрузки (для наружного монтажа)

Качество и сертификация

Изделия соответствуют требованиям Технического регламента Таможенного союза ТР ТС 010/2011 "О безопасности машин и оборудования" и имеют сертификаты соответствия. Контроль качества осуществляется на всех этапах производства, включая входной контроль сырья, операционный контроль и приемо-сдаточные испытания готовой продукции.

Упаковка и маркировка

Подвесы поставляются в пачках по 10-25 штук, упакованных в полиэтиленовую пленку. На каждую упаковку наносится маркировка с указанием наименования продукции, артикула, количества, даты изготовления и номера партии. Хранение рекомендуется в закрытых складских помещениях с относительной влажностью не более 70%.

Эксплуатационные рекомендации

Для обеспечения длительного срока службы рекомендуется:

  • Избегать механических повреждений цинкового покрытия
  • Обеспечивать естественную вентиляцию в зоне монтажа
  • Периодически проводить визуальный осмотр состояния креплений
  • При повреждении покрытия обрабатывать места повреждений цинкосодержащими составами
Полное наименование:Подвес вертикальный двойной 41х41х1800мм горячеоцинкованный
Длина, мм:1800
Высота, мм:120
Масса, кг:10.26
Материал изделия:Сталь
Покрытие:Горячий цинк
Резьба:M10
Рекомендованный проектный ассортимент:Да
Тип изделия:Профиль
Толщина материала изделия:2.5
Цвет:Светло-серый
Ширина, мм:120

Сертификаты

ССБК RU.ПБ09.H000911.PG1.png
Откроется в новом окне
ССБК RU.ПБ09.H000911.PG2.png
Откроется в новом окне
ССБК RU.ПБ09.H000911.PG3.png
Откроется в новом окне
ССБК RU.ПБ09.H000911.PG4.png
Откроется в новом окне
ССБК RU.ПБ09.H000911.PG5.png
Откроется в новом окне
ССБК RU.ПБ09.H000911.PG6.png
Откроется в новом окне
ССБК RU.ПБ09.H000911.PG7.png
Откроется в новом окне

Документы

Каталог производителя
Техническая документация

Чтобы выбрать понравившийся товар, просто добавьте его в корзину.

Когда все будет готово, перейдите в Корзину. В корзине проверьте список номенклатуры Вашего заказа, после пожалуйста, укажите Ваш телефон и e-mail, и нажмите «Отправить заказ» — в случае возникновения уточняющих вопросов, наш менеджер свяжется с вами, чтобы уточнить все детали.

После вы получите подтверждение вашего заказа на указанную вами электронную почту. И всё, что вам останется — это с нетерпением ждать счета на оплату, а после оплаты, доставки купленного товара и радоваться своей новой покупке!

Мы рекомендуем добавить в комментарии к заказу информацию, которая поможет службе доставки быстрее Вас найти.

Нажмите кнопку «Отправить заказ», и мы позаботимся о том, чтобы ваша покупка была доставлена как можно быстрее. Спасибо, что выбираете нас!

Способы оплаты

Мы стремимся сделать процесс оплаты максимально удобным и безопасным для вас. На нашем сайте доступны несколько способов оплаты, чтобы вы могли выбрать наиболее подходящий вариант:

  1. Дебетовые карты: Мы принимаем карты Visa, MasterCard и МИР, Unionpay. Оплата происходит через защищенное соединение, что гарантирует безопасность ваших данных.
  2. Электронные системы платежей: Вы можете оплатить заказ через популярные электронные кошельки, такие как СБП, СБЕР-pay, T-pay, Я-Пэй. Просто выберите нужный способ на этапе оформления заказа.
  3. Банковский перевод между юридическими лицами: Если вы предпочитаете оплачивать заказ через расчетный счет организации, после оформления и согласования заказа с менеджером, мы вышлем вам счет-договор на оплату.

Безопасность платежей

Мы заботимся о безопасности ваших транзакций. Все данные передаются по защищенному протоколу SSL, что обеспечивает защиту от несанкционированного доступа.

Если у вас возникли вопросы по поводу оплаты или вам нужна помощь, пожалуйста, свяжитесь с нашей службой поддержки. Мы всегда готовы помочь!

Для получения дополнительной информации обращайтесь в нашу службу поддержки

Условия доставки

Доставка по г. Москве и Московской области

Компания ЭЛЕКТРОКОМ осуществляет бесплатную доставку по г. Москве и Московской области собственным транспортом при заказе от 15 000 рублей. Доставка товара на меньшую сумму возможна, но оговаривается с менеджером.

Порядок получения товара при доставке транспортом ЭЛЕКТРОКОМ:

  • При получении необходимо проверить соответствие количества фактически полученного товара и количества товара по товарной накладной/УПД
  • После фактического получения товара ответственное лицо грузополучателя должно расписаться в товарной накладной/УПД
  • Получающий товар сотрудник должен поставить свою подпись, расшифровку подписи и печать/доверенность организации грузополучателя
  • В случае отсутствия доверенности или печати передача товара производиться не будет

Доставка по России

Доставка по России осуществляется посредством транспортных компаний. Компания ООО ЭЛЕКТРОКОМ доставит Ваш товар до терминала транспортной компании по г. Москва. Стоимость доставки и сроки Вы сможете узнать, посетив сайты компаний перевозчиков.

Консультация по доставке:

+7 (499) 403-13-13 info@electrocom.su

Важно: При отправке груза через транспортную компанию, Вам необходимо прислать в наш адрес доверительное письмо на отправку груза.

Самовывоз со склада

  • При получении необходимо проверить соответствие количества фактически полученного товара и количества товара по товарной накладной/УПД
  • После фактического получения товара ответственное лицо грузополучателя должно расписаться в товарной накладной/УПД
  • Получающий товар сотрудник должен поставить свою подпись, расшифровку подписи и печать/доверенность организации грузополучателя
  • В случае отсутствия доверенности или печати передача товара производиться не будет

Похожие товары